Complement d'information

poissonsverseaux17 -  
 poissonsverseaux17 -

Bonjour, Un disjoncteur modulaire multi 9 C 60N Merlin Gerin  avec le  contacteur A9C21834 4NO 25A schneider et le disjoncteur modulaire A9P22602 schneider pour la protection bobine 

 ce que je recherche c'est un schéma  électrique pour raccorder l'ensemble . merci 

A voir également:

2 réponses

Carminas Messages postés 4372 Date d'inscription   Statut Modérateur Dernière intervention   2 038
 

Bonjour

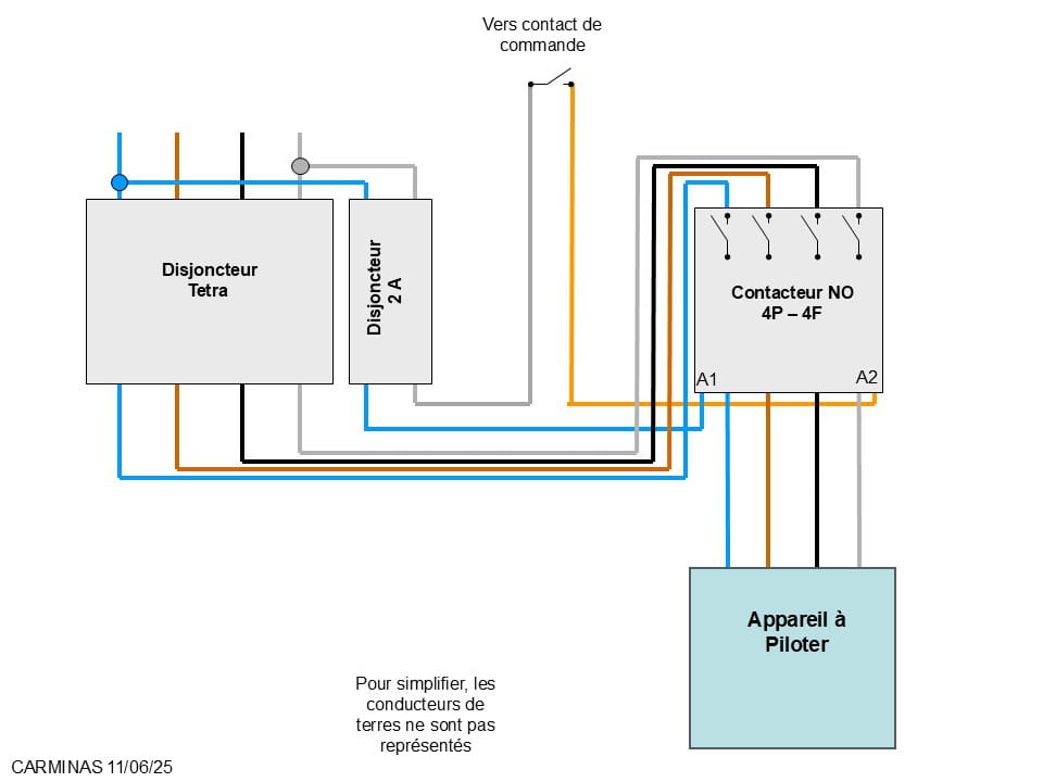
Je vous donne un exemple dont vous pouvez vous inspirer.

A voir par quoi vous allez piloter le circuit de commande

0
Carminas Messages postés 4372 Date d'inscription   Statut Modérateur Dernière intervention   2 038
 

J'ai oublié le schéma

0
poissonsverseaux17
 

 bonjour , et merci c'est plus clair avec le schéma. cordialement  

0