Problèmes câblage moteur sur deux inverseur de rotation.
Lele -
Bonjour.
J'aurais besoin de votre aide.
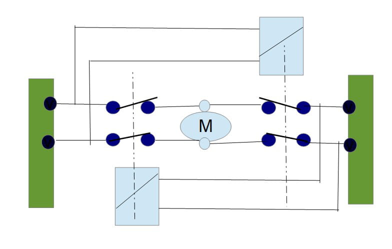
Je cherche à câbler deux inverseurs de rotation sur un moteur, le tout fonctionnant en 12V.
Lorsque je connecte les deux simultanément (fils bleus), cela ne marche pas.
Par contre, quand je les connecte individuellement au moteur, cela fonctionne.
La carte électronique en haut à droite sert à contrôler la rotation du moteur avec une télécommande sans fil et est régulée par le potard en bas à gauche, et la carte électronique en bas à droite sert aussi à contrôler la rotation du moteur par les deux boutons et est régulée par son potard intégré.
Comment pourrai-je faire pour faire fonctionner le tout simultanément?
Merci d'avance pour ceux qui prendront le temps de répondre.
Je suis débutant et je n'ai pas beaucoup de connaissances en électronique. Si vous avez besoin d'info complémentaire, je suis à votre disposition.
Cordialement.
- Moteur monophasé
- Robinet de baignoire - Meilleures réponses
- Montage photo saint valentin - Meilleures réponses
- Schéma inversion sens de rotation moteur monophasé - Forum Electricité
- Voyant moteur point d'exclamation 208 ✓ - Forum Mécanique, entretien et pannes
- Câblage d'un moteur deux sens de rotation. ✓ - Forum Electricité
- Branchement moteur triphasé en monophasé sans condensateur pdf - Forum Electricité
- Voyant urea défaut moteur ✓ - Forum Mécanique, entretien et pannes
6 réponses
Bonjour
Ce montage ne peut pas fonctionner tel-quel. Les deux platines avec relais ne se sécurisent pas entre elles. L’une peut envoyer une tension inverse à l’autre.
Cordialement
Bonjour
Le principe de yclic n'est que partiel car 2 relais par platine donc il faut plus de sécurité mais pour cela il faudrait avoir les plans des platines et faire des modifications importantes sur les circuits.
Bonjour Lele, perso j'entrevois une solution mais là j'ai pas le temps de vous refaire le dessin, je reviendrai sur votre post ce soir..
Pour les autres intervenants, ma solution serait que les relais de la carte télécommande agissent sur les boutons poussoirs de la carte inverseur / régulateur, et la simple carte régulateur ne serait même pas utilisée..
Vous n’avez pas trouvé la réponse que vous recherchez ?
Posez votre questionRe, voila comment je vois cela:
Explication:
La carte télécommande "remplace" les boutons de commande de la carte inverseur/régulateur, et comme les relais de la carte télécommande sont des relais no nf on peut y rajouter les boutons.
Ne voyant pas distinctement les indications des bornes de connections de la carte télécommande, s'assurer que cela correspond au dessin (c /no /nf).
.



Bonjour.
Merci pour votre réponse.
Il y aurait il une solution pour faire en sorte de sécuriser ça?
Cordialement.